It doesn't. Therein lies another problem. You have three options. - U-Bolt flip and no panhard bar - Panhard bar with replacement or stock passenger U-Bolt plate and driver's side U-Bolt flip - No flip kit, 100% stock with the driver's side U-Bolt plate. |
|
Administrator
|
Jim - I understand what you are saying. We are thinking alike.
Shaun - Here is the stuff that David found. Seems complete - right?
Gary, AKA "Gary fellow": Profile
Dad's: '81 F150 Ranger XLT 4x4: Down for restomod: Full-roller "stroked 351M" w/Trick Flow heads & intake, EEC-V SEFI/E4OD/3.50 gears w/Kevlar clutches
|
|
In reply to this post by ArdWrknTrk
If that's what he expects from his favorite, how terrible does he think the OX is? ![]()
If he was saying to use your F-250 springs, that's bad advice. But yes, F-350 springs will attach directly to the F-250 perches, giving you a stock F-350 suspension with no extra costs for an RSK or new perches for SuperDuty springs (and with no benefits from them either, but it'd still ride better than the stock F-250). First off, neither the "factory unit" nor the TrueTrac are lockers. They are limited slips. And please don't let him talk you into a clutch type limited slip. In my opinion those are the worst of all worlds. As far as an auto locker in the front, the torque steer even at low speeds is VERY annoying, but it is worth it if you value the performance. It's nice to not have to think about turning it on and off as needed, and it won't bind up and stay engaged when you want it to disengage. But in my limited experience the OX has never been difficult to get to disengage. Both have their advantages, but I really think you'll prefer a selectable.
Leaf spring / solid axle vehicles never used to have track bars. I'm not saying that it wasn't an improvement in handling when Ford put them on F-350s, but without can work well too. On the other hand, I really think you'd get more than 3" of travel with the bar. If it were me I'd start with the bar and only take it out if it seemed to ever be a problem. And I thought our weather this past weekend was bad! We went to my folks lake cabin and "enjoyed" 2 days of almost solid rain with temps starting in the 40s and dropping into the mid-thirties. We did sneak a couple of cold pontoon rides in, but opted not to go on Sunday when it started snowing Still, I'll take that over tornadoes and huge hail!
Bob
Sorry, no '80 - '86 Ford trucks "Oswald": 1997 F-250HD crew cab short box, 460, E4OD, 4.10 gears "Pluto": 1971 Bronco, 302, NV3550 5 speed, Atlas 4.3:1 transfer case, 33" tires "the motorhome": 2015 E-450-based 28' class C motorhome, 6.8L V-10 "the Dodge": 2007 Dodge 2500, 6.7L Cummins |
|
Administrator
|
How long have you had your Ox? I'm more interested in it than the ARB. If I am piecing this together then I think I'd like to go with SD springs and the RSK. In for a penny, in for a pound. If I'm going to do this I'd better do it right, with something like the Ox. You are also thinking like I am - I can install the track bar and if it seems to be limiting travel I can pull it for the trails. Can surely create a quick disconnect of some kind. It is POURING! And, we just had another tornado warning pop up. Our TV is via satellite and it is out, so I'm watching via the internet. But the line of storms goes southwest to Abilene, TX. Gonna be a long night. ![]() Oh yes, what about sway bars? I have them disconnected as they really hurt the ride. But would they even connect to an F350 axle?
Gary, AKA "Gary fellow": Profile
Dad's: '81 F150 Ranger XLT 4x4: Down for restomod: Full-roller "stroked 351M" w/Trick Flow heads & intake, EEC-V SEFI/E4OD/3.50 gears w/Kevlar clutches
|
|
Administrator
|
In reply to this post by Gary Lewis
I want to be clear. I don't think $500 is an unreasonable fee to go though and recondition a drive axle. (seals, bad bushings/bearings, etc..) But (edit) $1900 for a fully functional D60 seems too much to me. Hang in there. ![]() My last glance at the NWS doppler looked like OKC and west of Tulsa were getting hammered.
Jim,
Lil'Red is a '87 F250 HD, 4.10's, 1356 4x4, Zf-5, 3G, PMGR, Saginaw PS, desmogged with a Holley 80508 and Performer intake. Too much other stuff to mention. |
|
Administrator
|
Jim - I agree. I'll go to OKC and get the D60 for $840 before I pay anything like $1400 - for a well-used axle. But, I hope to go by and talk to him today to see if maybe I misunderstood.
However, we may not go until afternoon as the rain continuing. I've never, ever seen this much rain. Last night our creek was 101% full. The water was up to and slightly over the banks, and we stood in the water running into it to try and get a pic. But pitch blackness isn't easily penetrated with a DeWalt light, nor "filmed" well with an iPhone. So I don't have much to show for that jaunt. However, our back fence is still standing, which is a miracle. A few years ago the creek got up like this and coated the chain-links with leaves and then pushed it down. So I'm pleasantly surprised that it is still standing - although it is still too dark to see the creek itself. And, there's only one convoluted way to get from Skiatook to Tulsa. Highway 20 is closed on the east side of town, and will be for several days because Bird Creek is 8' above flood stage and has yet to crest. And the low lands to the south are flooded. So we have to go west to the dam, south across it, and then back east to the road south. AND IT IS STILL POURING!
Gary, AKA "Gary fellow": Profile
Dad's: '81 F150 Ranger XLT 4x4: Down for restomod: Full-roller "stroked 351M" w/Trick Flow heads & intake, EEC-V SEFI/E4OD/3.50 gears w/Kevlar clutches
|
|
In reply to this post by Gary Lewis
I've only had it for one year, and only used it on the one week-long trip out to Ouray that I told you all about here. So I'm not thinking that my experience gives any info on long-term reliability. But as I said above, one thing I like about it is that it's completely mechanical. As you probably know, it's shifted by a fork that's mounted to the diff cover (so no OX available for TTB or 9" which don't have diff covers). So there are no electrical connections (like e-locker has) or air seals (like ARB has) inside the diff. Everything in the diff is mechanical. Mechanical stuff can wear, but barring catastrophic breakage (which could happen to any diff), it doesn't tend to suddenly not work like a broken electrical connection or blown seal can. And again, I don't have any data that says e-locker or ARB are unreliable (and if I ever put anything in D-50 TTB in my F-25o it'll probably be one of those two). But I was attracted to the inherent simplicity of the OX. Yes, going with the built-in air actuated cover I do now have an air seal that could fail. But it's in the cover, so it's a simple R&R job if it does blow, not requiring me to pull out the diff. And with the "drive-away lock" that OX has I can run a bolt into the air fitting boss in the cover and manually lock it if needed as a temporary trail fix. As far as your guy saying the ARB is a pain to set up, I haven't heard that before. The only thing I can think of is that it's hard to get the air line routed and hooked up, because I can't imagine it's any harder to physically install and set up (but maybe I don't have a good enough imagination?). But as you read about my OX install, I certainly didn't find it easy to do. I blamed that on me rather than the OX, but having only done the one, I can't say that another diff wouldn't have been easier. I don't know for sure, but I'd think that F-350s could have been had with sway bars. Thinking about carrying a slide-in camper, or towing a big fifth wheel I'd think people would want / need the option (unless the track bar stiffens it up so much that it doesn't need it, but I doubt that's the case).
Bob
Sorry, no '80 - '86 Ford trucks "Oswald": 1997 F-250HD crew cab short box, 460, E4OD, 4.10 gears "Pluto": 1971 Bronco, 302, NV3550 5 speed, Atlas 4.3:1 transfer case, 33" tires "the motorhome": 2015 E-450-based 28' class C motorhome, 6.8L V-10 "the Dodge": 2007 Dodge 2500, 6.7L Cummins |
|
Administrator
|
Oh yes, I vividly remember your trip report. And, I cannot wait to do much of it myself. Hence the rationale for the upgrades to Big Blue.
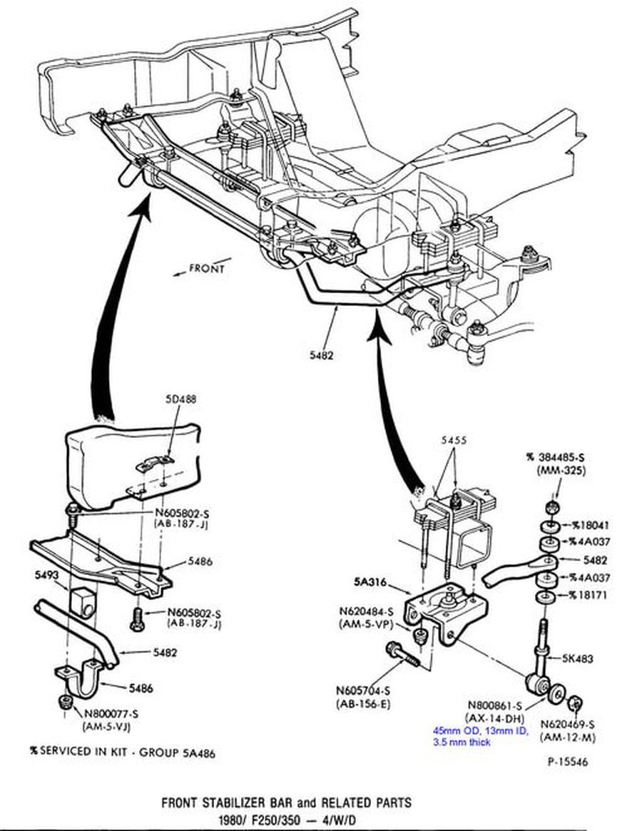
![]() And, I also remember what you said about the simplicity of the Ox, but had missed that the air mechanism is on the cover, so glad you mentioned it. And given what he said about the ARB and how far you have to go to get to the o-rings, I'm going Ox. Thanks much for the heads-up. As for the sway bar, they did have them. And, our page (Suspension & Steering/Sway Bars) has the illustrations below, and the bars and mounts are completely different. Which won't really hurt my feelings as mine are disconnected since they make the ride even worse. ![]()
Gary, AKA "Gary fellow": Profile
Dad's: '81 F150 Ranger XLT 4x4: Down for restomod: Full-roller "stroked 351M" w/Trick Flow heads & intake, EEC-V SEFI/E4OD/3.50 gears w/Kevlar clutches
|
|
Administrator
|
Just met with Billy Young at Young's Performance Differential. He's maybe not quite my age, but close. Knows his stuff from what I can tell, and given the number of Broncos, Jeeps, etc sitting around he's worked on everything. But that doesn't mean I agree with everything he suggested.
The D60's his friend has, 2 ball joint and 1 king pin, are priced at $1400/ea and have not been rebuilt.
|
|
Administrator
|
Maybe he is thinking of springs for a LD 250 with a Windsor and 5 lug hubs?
Sure as hell the 3560# gawr front end in my truck has stiffer springs than a 350's stack. Maybe Billy is more about hardcore four wheeling and doesn't get the overlanding thing?
Jim,
Lil'Red is a '87 F250 HD, 4.10's, 1356 4x4, Zf-5, 3G, PMGR, Saginaw PS, desmogged with a Holley 80508 and Performer intake. Too much other stuff to mention. |
|
I don't have an F-350 to compare to, but physics says that, assuming the same load rating, the F-250 spring needs to be about 1.5 times stiffer than an F-350 spring (due to the tire being on a lever that's about 1.5 times as long as the lever the spring is on). The F-250 suspension probably has a lower load rating than the F-350 suspension, but not that much less. So the F-250 spring has to be stiffer than the F-350 spring. It's not intuitively obvious until you look at the leverage involved, but it's pretty clear when you do look at the leverage.
Oh, and on the OX install, Gary, if you read my FTE thread on it you might have noticed where I had to grind away some of the shift fork to clear a boss in the diff housing. That was a "complication", but not much of one. And it's one that the OX instructions pointed out (I just didn't pay attention soon enough).
Bob
Sorry, no '80 - '86 Ford trucks "Oswald": 1997 F-250HD crew cab short box, 460, E4OD, 4.10 gears "Pluto": 1971 Bronco, 302, NV3550 5 speed, Atlas 4.3:1 transfer case, 33" tires "the motorhome": 2015 E-450-based 28' class C motorhome, 6.8L V-10 "the Dodge": 2007 Dodge 2500, 6.7L Cummins |
|
Administrator
|
Jim - From what I've seen at his shop you may well be right - hard core four wheeling, not overlanding. I hadn't thought about that, but I need a suspension that will do everything well. I need it to ride and handle well on the highway so I can get "there". And it needs to have enough articulation/flexibility to handle the rough stuff when on the trails. Plus it needs to handle towing nicely. But I don't want to maximize any one of those things as I suspect that would minimize the others.
Right now the stiffness makes it no fun to drive long distances and it can't be any fun on rough trails as you'll feel every bump. Plus it'll lose traction 'cause one of the front wheels isn't going to be carrying its fair share of the weight. But, it tows nicely. Bob - I see what you are saying about the physics. The 1986 dealer facts book shows the standard front axle on a 4wd F350 had a capacity of 5000 lbs as opposed to 3850 for the F250HD 4wd. So, if your math is right, the F250's springs would be rated at 5775 lbs. Not a huge difference, but the F350 springs should be softer. And with an RSK the ride would be even better. But wait! There's SD springs available. ![]() Having said that, wouldn't the 250 springs have to be even stiffer since they can only allow 1 1/2" of travel? Perhaps the D44HD axle is the limiting factor and not the springs? Anyway, I've now talked to Robert at Four Wheel Parts. Basically, they don't do what I am wanting to do. Yes, they could build the D60, but he recommended Chris at Boom's Garage for what I'm looking for. I have a call into Chris, but he's probably gone to lunch so maybe I'll hear soon. And, Robert suggested another salvage to talk to, so while I'm waiting on Chris I'll call them.......
Gary, AKA "Gary fellow": Profile
Dad's: '81 F150 Ranger XLT 4x4: Down for restomod: Full-roller "stroked 351M" w/Trick Flow heads & intake, EEC-V SEFI/E4OD/3.50 gears w/Kevlar clutches
|
|
Administrator
|
Gary, you need to remember your simple machines, levers in particular. The springs need to be stiffer on the TTB and Twin I-beam as they are not right at the wheels. On a live axle the effective lever length is from the opposite wheel as a pivot location. Essentially the spring is based directly for the load.
Bill AKA "LOBO" Profile
"Getting old is inevitable, growing up is optional" Darth Vader 1986 F350 460 converted to MAF/SEFI, E4OD 12X3 1/2 rear brakes, traction loc 3:55 gear, 160 amp 3G alternator Wife's 2011 Flex Limited Daily Driver 2009 Flex Limited with factory tow package Project car 1986 Chrysler LeBaron convertible 2.2L Turbo II, modified A413 |
|
Banned User
|
This post was updated on .
In reply to this post by Nothing Special
No, you've got it backward. The length of the lever from the spring to the frame is irrelevant; and the horizontal distance from the contact patch to the spring isn't much more important. What matters is the angle of the line from the spring seat on the axle to the axle pivot point, relative to the line through the spring seats (the spring's line of force). That angle determines how much of the spring's force will bear the truck's weight, regardless of the length of either line. No matter what the suspension's geometry or layout: the vertical component of the springs' lines of force must support the sprung weight of frame/body/powertrain. |
|
In reply to this post by Gary Lewis
Yep, that's everything you need for the swap. |
|
Administrator
|
Guys - I'm getting lost in the physics. Which is strange 'cause that's what one of my degrees is in. Anyway, I feel sure that I don't want to use the F250 springs. F350 springs would be better, and SuperDuty springs the best.
Shaun - Thanks for the confirmation. All - I called the salvage Robert suggested and he had nothing. When I asked the guy at that salvage if he had any suggestions he referred me to the place in OKC which has the one I've called about. And, I've not heard from Chris. But it is possible that due to the rain and storms he didn't make it in today.
Gary, AKA "Gary fellow": Profile
Dad's: '81 F150 Ranger XLT 4x4: Down for restomod: Full-roller "stroked 351M" w/Trick Flow heads & intake, EEC-V SEFI/E4OD/3.50 gears w/Kevlar clutches
|
|
This post was updated on .
WARNING - BORING GEEK STUFF AHEAD!
I started to figure it out more completely and got lost too, so I had to go back to what my Statics TA back in college called "a fwee-ah ah-body ah-diagwam-ah" (or "free body diagram" for those of us to whom English is not our fourth language. And yes, I get that his English was MUCH better than my Chinese, so I'm really not putting him down). What we're talking about here is how stiff the springs are. Spring stiffness is measured as the compression rate, how much force it takes to deflect the spring a certain amount. But springs are linear, so it's also how much MORE force it takes to deflect the springs a certain amount MORE. Let's start with the F-350 suspension because it's so simple we don't need a free body diagram. Let's start with the assumptions that the front of the truck weighs 3000 lbs and we want a spring stiffness of 500 lbs/in (meaning it takes 500 lbs to compress the spring 1 inch). I just pulled that number out of the air, but it'll work for a comparison. With 3000 lbs on the front of an F-350, that's 1500 lbs on each of the front tires, and 1500 lbs supported by each of the front springs. Now if the springs have a rate of 500 lb/in, that would mean that if we put an additional 1000 lbs on the front of the truck we would be putting 500 lbs more on each spring and it will deflect 1" below wherever it is at ride height. And since this is a simple solid axle suspension, 1" more compression on each spring means each tire moves up (relative to the truck) the same 1". Now lets take the F-250 front suspension and figure out what the actual spring stiffness needs to be to give an apparent stiffness of 500 lb/in. By that I mean when we put an additional 1000 lbs on the front of the truck we want each front tire to move up 1", the same as we saw in the F-350. This is where a free body diagram becomes necessary for me. A free body diagram is a rough sketch of a "solid" piece (it doesn't have to actually be solid, or one piece, it just needs to not move with respect to itself). You show what forces are applied in what locations. Newtons law tells us that unless the piece is accelerating, the sum of all of the forces on it must be zero, and the sum of all of the moments on it must also be zero (in physics a "moment" is the torque exerted on an object by applying a force on a lever arm). Below is the free body diagram for one tire / axle beam assembly of an F-250 front suspension. Fp is the vertical force applied to the swing arm at the pivot. Fs is the force applied to the spring perch by the spring (it's also the force on the spring). And Ft is the force applied to the tire by the ground (or the amount of weight sitting on the front tire). The measurements of 26" from pivot to spring perch and 41" from the pivot to the contact patch are approximate measurements off my '97 F-250. And they are measured parallel to the ground, not in a straight line from the pivot to the contact patch or spring perch. Since the forces in the vertical direction need to add up to zero, the diagram tells us that Fs = Ft + Fp. Or solving for Fp (we might want to later...), Fp = Fs - Ft. And the sum of the moments must also equal zero. Moments need to be defined around a certain point. The physics don't care what point we use, but the math will be easier if we pick the "right" point. So we'll use the pivot point. The moment the spring exerts on the body around the pivot point is Fs x 26". The moment the ground exerts on it around the pivot point is Ft x 41. So that means that Fs x 26 = Ft x 41. Or solving for Fs, Fs = Ft x 41 / 26 ![]() Let's take the same 3000 lb front end, but we'll only look at one side. The weight on the tire is half the truck weight, so still 1500 lbs, just like the F-350. But now when we do the math, the force on the spring is Ft x 41 / 26, or 1,500 lbs x 41 / 26, or 2,365 lbs! (for what it's worth, Fp = Fs - Ft = 865 lbs). Now let's put an additional 1,000 lbs on the front of the truck to move the tire up 1", the same as we did for the F-350. Now the new Fs = 2,000 lbs x 41 / 26 = 3,154 lbs. So we've put an additional 3,154 - 2,365 = 788 lbs on the spring. But how much has it deflected? Since the tire at a 41" radius went up 1", the spring at a 26" radius went up 26 x 1/41 = 0.63". Spring rate is (additional) force per (additional) deflection, so 788 lbs / 0.63" = 1,243 lbs/in. Just a little stiffer than the 500 lb/in F-350 spring! This result was so much more than I expected that I didn't believe it. I've checked my equations and my math a couple of times though, so I'm pretty sure it's right. But if anyone wants to prove me wrong I won't be at all offended. Edit to add: A few posts later I described how the F-250 spring stiffness likely increases significantly as the TTB geometry pulls it sideways. My calculations above are for this overall spring rate. If you put an F-250 spring on a solid axle it would not get reefed on so badly, so the overall spring rate of the same spring in that case would be lower. I'm still sure that the F-250 spring is significantly stiffer than an F-350 spring, even if it were on a solid axle. But likely it isn't 2.5 times stiffer if the pulling sideways isn't taken into account.
Bob
Sorry, no '80 - '86 Ford trucks "Oswald": 1997 F-250HD crew cab short box, 460, E4OD, 4.10 gears "Pluto": 1971 Bronco, 302, NV3550 5 speed, Atlas 4.3:1 transfer case, 33" tires "the motorhome": 2015 E-450-based 28' class C motorhome, 6.8L V-10 "the Dodge": 2007 Dodge 2500, 6.7L Cummins |
|
Administrator
|
You just basically proved mathematically what I was referring to earlier in my reference to levers, specifically the three classes of levers and the calculations of force involved. It's been years since I took physics in high school, 55 to be exact, so my math is a little rusty. I was thinking if I were crazy enough to want to convert Darth to 4WD I would want to keep the front coil spring suspension but with a live axle rather than twin traction beams.
Bill AKA "LOBO" Profile
"Getting old is inevitable, growing up is optional" Darth Vader 1986 F350 460 converted to MAF/SEFI, E4OD 12X3 1/2 rear brakes, traction loc 3:55 gear, 160 amp 3G alternator Wife's 2011 Flex Limited Daily Driver 2009 Flex Limited with factory tow package Project car 1986 Chrysler LeBaron convertible 2.2L Turbo II, modified A413 |
|
Banned User
|
In reply to this post by Nothing Special
You're still creating some confusion the way you worded the moments. The body is not part of your diagram or your calculations, so you're not figuring "...the moment the spring exerts on the body around the pivot..."; you're figuring the moment through the BEAM. A subtle distinction, and it doesn't directly affect the numbers, but it's still worth noting.
And I probably created some earlier... Hinging the suspension off the frame (twin I-beam) DOES change the spring force, vs. supporting one front wheel with the other (monobeam). |
Yes, some of my wording might have led to some confusion. I was struggling a little with how much to keep my wording consistent with the methods I was using and how much to use terms that are more commonly used. What I ended up trying to do was use the terms my professors used, but define them here as (I thought) needed. When I said "body" I was talking about the swing arm / tire that I used as the body in my free body diagram, not the sheet metal. So yes, I was figuring the moment on the beam (or actually the beam/tire "assembly"), but that's exactly what I said, just in a term that caused some confusion. And as you said, it doesn't affect the numbers
Bob
Sorry, no '80 - '86 Ford trucks "Oswald": 1997 F-250HD crew cab short box, 460, E4OD, 4.10 gears "Pluto": 1971 Bronco, 302, NV3550 5 speed, Atlas 4.3:1 transfer case, 33" tires "the motorhome": 2015 E-450-based 28' class C motorhome, 6.8L V-10 "the Dodge": 2007 Dodge 2500, 6.7L Cummins |
| Edit this page |
